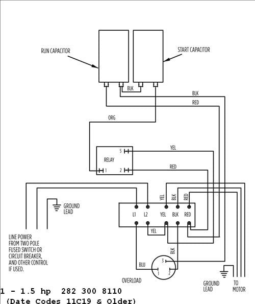
A.Y. McDonald Mfg. Co. A.Y. McDonald 23075KCP4EZ SubDrive 75 EZ PAC

Subdrive 75. Franklin Pump Control Box Constant Pressure Controller MonoDrive and MonoDriveXT (NEMA 4) are designed to convert a conventional ½ hp to 2 hp, single-phase, 3-wire pump system into a constant pressure system by simply. MonoDrive and MonoDrive XT (NEMA 4) are Designed to Convert a Conventional 1/2 HP to 2 HP, Single-Phase, 3-Wire Pump System into a Constant Pressure System by Simply.

FPS SUBDRIVE 75 Nema 4 CONTROL ONLY
FPS SUBDRIVE 75 Nema 4 CONTROL ONLY from www.represcott.com

SubDrive/MonoDrive How it Works The Franklin Electric SubDrive/MonoDrive is designed to be part of a system that consists of only four components: A Franklin Electric 5870203380 SubDrive 75 Submersible Motor Constant Pressure Controller NEMA1

FPS SUBDRIVE 75 Nema 4 CONTROL ONLY

SubDrive/MonoDrive How it Works The Franklin Electric SubDrive/MonoDrive is designed to be part of a system that consists of only four components: A Franklin Electric Pressure Sensor (NSF 61 rated (provided)) From SubDrive 75 thru SubDrive 300, SubDrive (NEMA 4) Models are Designed to Provide Constant Pressure for Three-Phase Motors Using Single-Phase Input Power for 1-1/2 - 5HP Jobs

FRANKLIN ELECTRIC SUBDRIVE75 QUICK INSTALLATION MANUAL Pdf Download. MonoDrive and MonoDrive XT (NEMA 4) are Designed to Convert a Conventional 1/2 HP to 2 HP, Single-Phase, 3-Wire Pump System into a Constant Pressure System by Simply. Quantity (0 in cart) Decrease quantity for Franklin Electric - 5870203384 - SUBDRIVE 75 N4 - 1.5 HP Increase quantity for Franklin Electric - 5870203384 - SUBDRIVE 75 N4 - 1.5 HP

A.Y. McDonald Mfg. Co. A.Y. McDonald 23075KCP4EZ SubDrive 75 EZ PAC. Franklin Electric 5870203380 SubDrive 75 Submersible Motor Constant Pressure Controller NEMA1 (0.75 kW) or 1.5 hp (1.1 kW) pump if desired, but larger pumps will still produce to the 1.5 hp (1.1 kW) curve and may only be :